Skip to content

비원

#3 BLDC(PMSM) [PI-IP

2023년 02월 24일 by issue

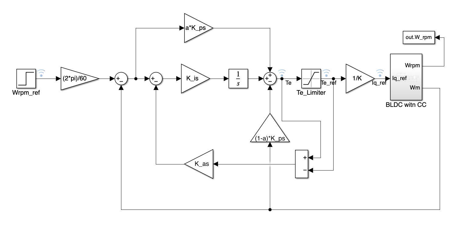
1. 컨트롤러


속도 제어

현재 컨트롤러

체계

a = 1 : PI 제어기

a = 0 : IP 컨트롤러

a = 0.5 : PI-IP 컨트롤러

Categories 미분류
제철음식 소개 – 2월에 먹어야
7번방의 선물 내용, 영화의 흥행과

최신 글

  • 자동차보험, 똑똑하게 비교하고 든든하게 가입하는 비밀? 바로 여기!
  • 환절기 알레르기 비염, 원인과 효과적인 관리법 알아보기
  • 매일 쓰는 KF94 마스크, 메디케이알 데일리핏 100매의 가성비와 장점
  • 편안한 공간 만들기: 나만의 아늑한 공간 조성법
  • 입꼬리 보톡스, 당신의 아름다움을 한층 더 높여줄 비밀
© 2026 비원 • Built with GeneratePress